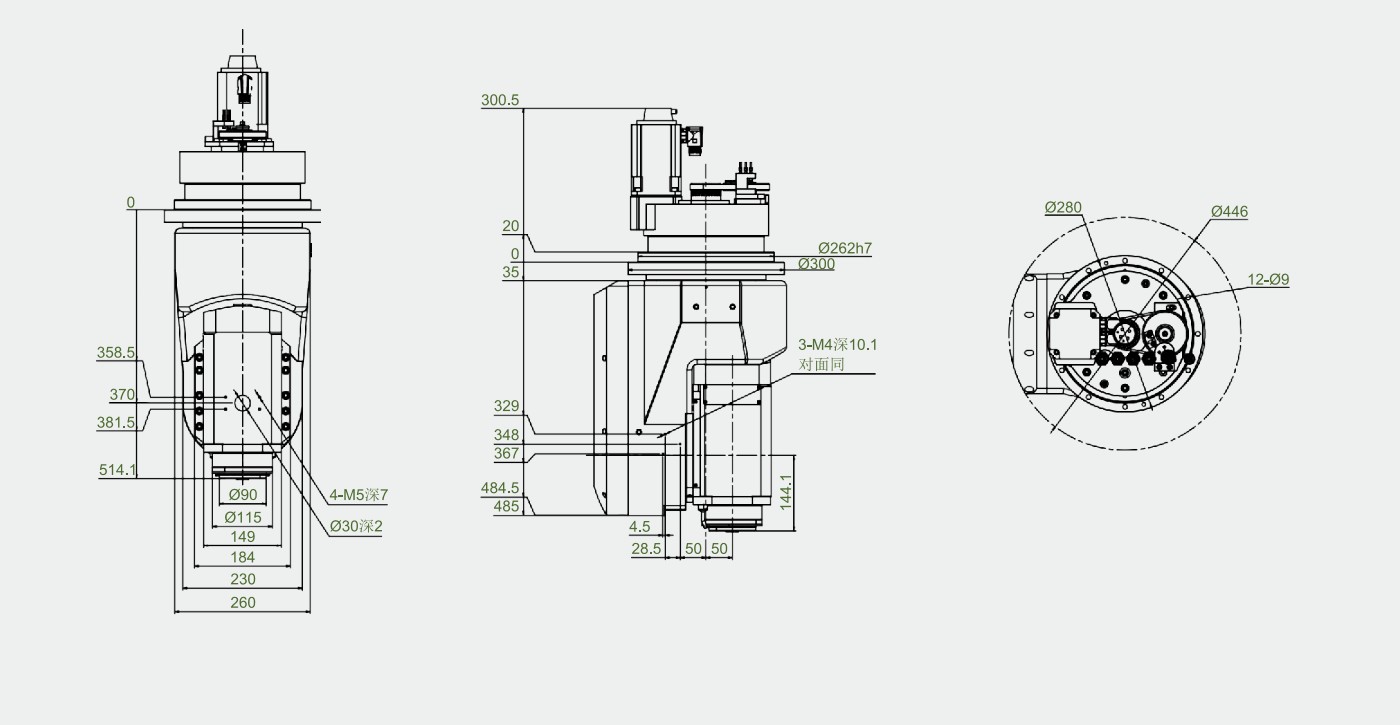
AC09单臂伺服五轴头